全国服务热线

一、风压变送器产品概述
风压变送器选用高稳定性传感器芯片,采用独特的应力隔离技术,经精密温度补偿及高稳定性放大处理,将被测介质的差压信号转换成4~20mADC、0~10mADC或0~5VDC标准信号输出。高质量的传感器、精湛的封装技术及完善的装配工艺,确保了该产品质量优异和性能。
风压变送器有多种接口形式和引线方式,并可配置一体指针或数字表头,现场显示差压值,零点、量程连续可调。该产品广泛用于炉堂压力、烟尘治理、风机、空调机等场所进行压力、流量的检测和控制。此类变送器也可单端使用测表压(负压)。
二、风压变送器技术指标
测量范围:0~0.2~1000KPa 量程连续可选

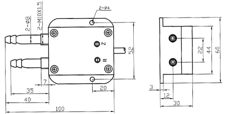
三、风压变送器结构尺寸
壳体材料:合金铝
压力接口:φ8宝塔头
重量:约0.3kg

四、安装要求及注意事项
1、安装前请检查标牌上所标型号、量程及工作电源与使用现场是否一致。
2、变送器有φ8宝塔头,可直接与被测现场的高(H)、低(L)压端联连,无需安装支架。
3、为避免变送器单端受压造成过载损坏,在变送器现场的高低压接口之间,建议加装平衡阀。

4、变送器*好选用水平安装形式,其它形式安装可能会影响零点输出。
5、在测量高温介质时,请使用引压管或其它冷却装置,把温度降至变送器允许使用温度范围内。
6、露天安装时,应尽量把变送器置于干燥处,避免强光直射和雨淋,否则可能会使变送器性能变差或出现故障。
7、变送器应尽量安装在温度梯度和温度波动小的地方,同时避免强振动和冲击。
8、变送器在补偿温度范围之外工作性能有所下降。
9、环境温度或测量介质温度骤然剧变时,变送器信号会出现跳动,属正常现象。待环境温度及介质温度稳定后,变送器输出信号也会稳定。